信号,反之亦然。此电路消除了地环路。此电路的工作很像1个信号变压器,但它比1个良好的变压器便宜很多。此电路具较平滑的
专业设备通常接地,具有平衡的输入和输出。用户设备通常双隔离非平衡输入和输出。某些半专业设备和计算机具有非平衡音频输入和输出接地问题,不可避免地造成地环路问题。
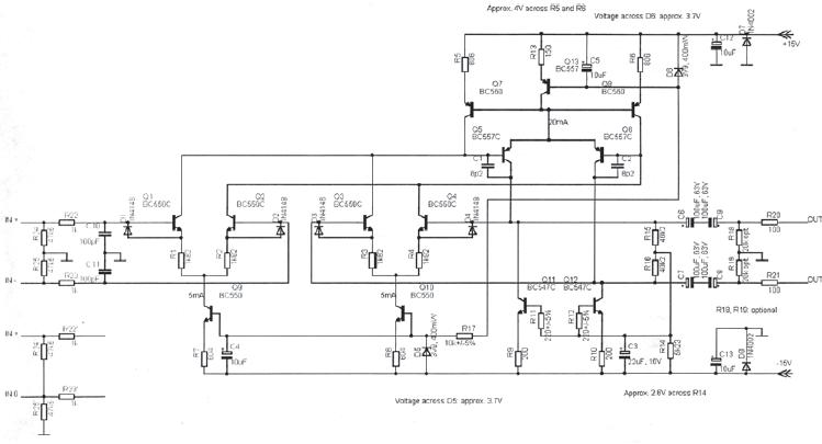
本文的电路是基于间接电压反馈基础上的。靠重生差分对Q1-R1-R2-Q2把正和负输入之间电压变换为电流。同样的差分对Q3-R3-R4-Q4也变换正和负输出之间电压为电流。信号电流相减,其差值驱动平衡输出级Q5-Q6。因此,反馈环路力图使输出电压差等于输入电压差。已经相当小的输入再生差分对的失真靠反馈通路中差分对同样的失真被大大地消除。
反馈环路仅设置正和负输出之间的电压差。因此,放大器输出基本上做为1个浮置电压源,类似于电压源驱动的信号变压器的次级。当负输出连接到非平衡负载地和正输出连接到此非平衡负载的不接地端时,放大器跨接在负载上正确的信号电压,而不管放大器和负载之间任何的地电压差。
此电路设计能处理大约9V峰值信号的能力,超过1.228V RMS,在专业音频设备中通常用1.737V峰值电平,在用户CD播放机中通常用2.828V峰值满标。
Contact: 凯发k8体育_凯发K8旗舰厅最新版
Phone: 13800000000
Tel: 400-123-4567
E-mail: admin@youweb.com
Add: Here is your company address